베어링사업부
> 베어링사업부 > High Precision Bearing
High Precision Bearing

High Precision Bearing

CBZF Type

이 제품 또한 복합하중을 견딜 수 있고, 높은 속도, 낮은 마찰회전력을 갖고있으며 동시에 높은 회전정밀도가 장점입니다. CBZF제품은 고속회전작업대, 밀링, 그라인딩, 호우닝 작업대, 정밀측정기구 등에 사용할 수 있습니다.

cbzf
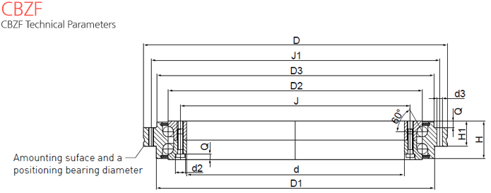
Type DIMENSION Axial runout and size to best (㎛) Download
d D H H1 H2 Standard Strict
Nominal
dimen
sion
Upper
devia
tion
Lower
devia
tion
Nominal
dimen
sion
Upper
devia
tion
Lower
devia
tion
Nominal
dimen
sion
Nominal
dimen
sion
Devia
tion
Strict
△H1s
Nominal
dimen
sion
Strict
△H2s
Unit: mm
CRT100 100 0 -0.01 185 0 -0.015 38 25 ±0.0175 ±0.025 13 ±0.02 3 1.5 다운로드 준비중
CRT120 120 0 -0.01 210 0 -0.015 40 26 ±0.0175 ±0.025 14 ±0.02 3 1.5 다운로드 준비중
CRT150 150 0 -0.013 240 0 -0.015 40 26 ±0.0175 ±0.03 14 ±0.02 3 1.5 다운로드 준비중
CRT200 200 0 -0.015 300 0 -0.018 45 30 ±0.0175 ±0.03 15 ±0.025 4 2 다운로드 준비중
CRT260 260 0 -0.018 385 0 -0.02 55 36.5 ±0.2 ±0.04 18.5 ±0.025 6 3 다운로드 준비중
CRT325 325 0 -0.023 450 0 -0.023 60 40 ±0.2 ±0.05 20 ±0.025 6 3 다운로드 준비중
CRT395 395 0 -0.023 525 0 -0.028 65 42.5 ±0.2 ±0.05 22.5 ±0.025 6 3 다운로드 준비중
CRT460 460 0 -0.023 600 0 -0.028 70 46 ±0.225 ±0.06 24 ±0.03 6 3 다운로드 준비중
CRT580 580 0 -0.025 750 0 -0.035 90 60 ±0.2 ±0.075 30 ±0.03 10 5 다운로드 준비중